


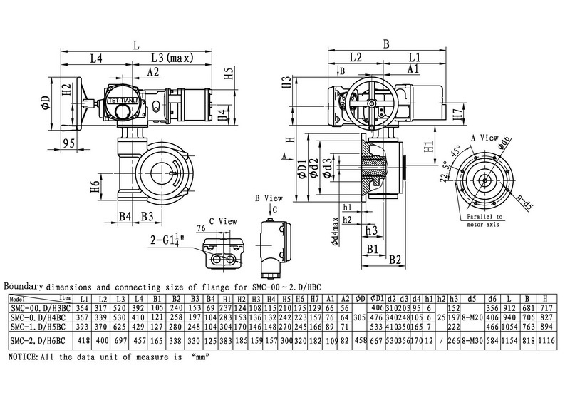
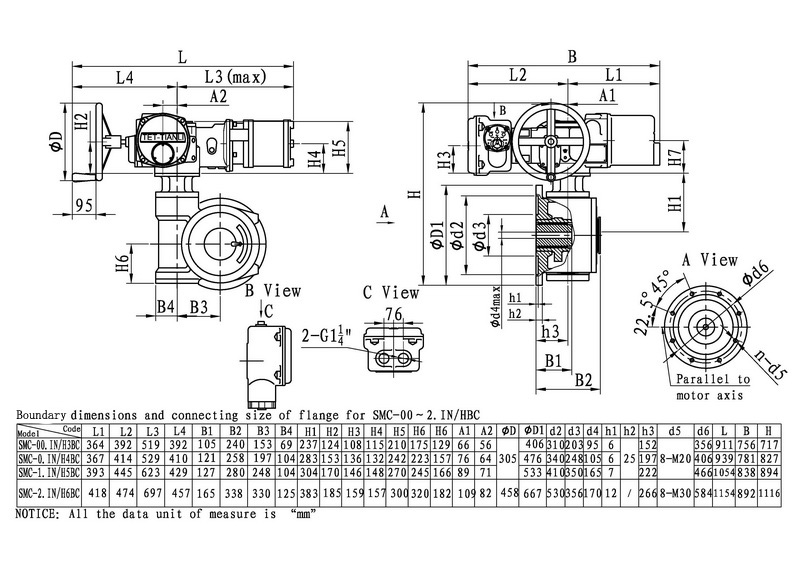
SMC/HBC series ,the combination of SMC series muilt-turn electric actuators and HBC worm speed reducer , was used to control ball valve ,butterfly valve and other part-turn valve actuators. This series actuators have features as firm structure, multiple standard, large torque rang, stable output and self-locking ability. In order to set up with the valve stem, HBC has a involute stem nut.. It is easy to test and adjust.